Fungsi Dan Cara Kerja TPS Sensor (Throttle Position Sensor) Pada Sistem Injeksi
Fungsi Dan Cara Kerja TPS Sensor (Throttle Position Sensor) Pada Sistem Injeksi,- TPS Sensor atau throttle position sensor terpasang menyatu di throttle body serta selalu berhubungan dengan throttle valve atau katup gas.
Fungsi TPS Sensor
TPS Sensor berfungsi untuk mendeteksi perubahan posisi atau sudut bukaan dari throttle gas yang kemudian akan dirubah menjadi sinyal elektrik untuk dikirim ke ECU sebagai salah satu sinyal input yang nantinya digunakan untuk menentukan durasi penginjeksian bahan bakar ke dalam ruang bakar. Selain fungsi utamanya tersebut, TPS difungsikan oleh ECU untuk memberikan beberapa informasi tentang hal-hal berikut:
- Digunakan Sebagai Engine mode ketika posisi throttle gas menutup (pada posisi idle/ stasioner), setengah membuka, dan ketika membuka penuh.
- Digunakan sebagai kontrol emisi saat posisi throttle gas terbuka penuh dan pada saat switch AC mati.
- Sebagai koreksi perbandingan campuran udara dan bahan bakar.
- Sebagai koreksi peningkatan tenaga pada mesin.
- Sebagai kontrol penghentian bahan bakar ketika mesin pada posisi deselerasi (Perlambatan kecepatan)
Cara Kerja TPS Sensor
Ciri-ciri dari sensor TPS ini adalah selalu berada disamping throttle valve atau katup gas. Perubahan besarnya sinyal voltase output atau tegangan keluar sensor tergantung dari posisi bukaan throttle valve. TPS yang sering dipakai pada mobil injeksi yaitu TPS Sensor tipe variabel resistor dan TPS Sensor tipe kontak point.
Baca Juga: Ini Yang Akan Terjadi Jika TPS Sensor Rusak + Solusinya
Baca Juga: Ini Yang Akan Terjadi Jika TPS Sensor Rusak + Solusinya
TPS Sensor Tipe Variabel Resistor
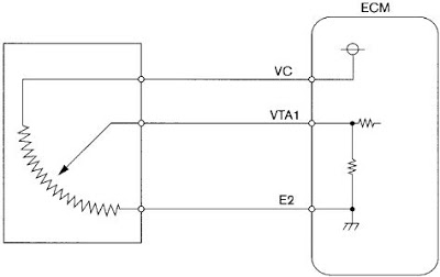
TPS sensor tipe variabel resistor menggunakan resistor sebagai perubah besarnya sinyal tegangan output sensor, sensor ini menggunakan tiga terminal yaitu terminal voltase input (VC), terminal voltase output (VTA) dan terminal massa (E2). Tegangan yang digunakan pada sensor TPS model variabel resistor ini menggunakan tegangan dari ECU sebesar 5 voltage.
A. Terminal VC
Terminal Ini disebut sebagai terminal arus yang mengirimkan reference voltage sebesar 5 volt ke sensor.
B. Terminal VTA1
Terminal ini merupakan output dari sensor yang berisi listrik bertegangan tertentu. Besaran voltage dijadikan informasi yang menunjukan sudut pembukaan katup.
C. Terminal E2
sementara terminal terakhir juga disebut massa yang terhubung ke masa ECU agar proses bisa berjalan. Kabel ini biasanya berwarna hitam.
| Gambar diagram kelistrikan TPS sensor tipe variabel resistor |
Perbandingan antara bukaan throttle gas dengan besarnya voltase yang dikeluarkan oleh sensor TPS ini adalah berbanding lurus, dan perbandingan antara bukaan throttle gas dengan resistansi atau tahanannya berbanding terbalik. Ketika posisi idle tegangan yang dikeluarkan sensor TPS ini adalah antara 0,6 - 0,9 volt, sedangkan ketika throttle valve terbuka penuh maka tegangan yang dikeluarkan sensor TPS ini adalah antara 3,5 – 4,7 volt. Untuk memperjelasnya, maka dapat dilihat pada gambar di atas tentang diagram kelistrikan TPS tipe variabel resistor.
Pada gambar diatas bisa kita pahami bahwasannya ECU akan memberikan sinyal input melalui terminal VC ke TPS sensor sebesar 5 Volt dan tegangan ini akan di konversikan sesuai sudut bukaan throttke valve menjadi sinyal output yang akan dikirim ke ECU melalui terminal VTA1.
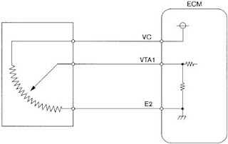
TPS Sensor Tipe Kontak Point
Signal dari TPS sensor jenis ini ada dua yaitu signal IDL dan signal PSW. Signal IDL dipakai untuk menghentikan aliran bahan bakar sedangkan signal PSW digunakan untuk menambah penginjeksian bahan bakar.
![]() |
| Gambar diagram kelistrikan TPS sensor tipe kontak poin |
TPS sensor tipe kontak point ini berfungsi untuk mendeteksi perubahan dari bukaan throttle gas dan terminal yang digunakan pada TPS sensor tipe kontak point juga sama dengan dengan TPS sensor tipe variabel resistor yaitu dengan menggunakan tiga kabel antara lain terminal IDL, PSW serta E1 atau TL. Pendeteksian TPS sensor tipe kontak point ini hanya dilakukan pada saat throttle valve pada posisi 0 – 5 derajat sebagai posisi idle dan terminal kabel pada sensor TPS yang terhubung adalah terminal IDL dengan terminal E1 atau TL sebagai posisi putaran idle dan saat kendaraan melakukan deselerasi. Ketika posisi throttle valve antara 6 – 49 derajat, maka kontak point pada TPS sensor ini tidak terhubung, sehingga ECU akan mendeteksi posisi ini sebagai putaran menengah. Sedangkan ketika throttle valve membuka dari 50 derajat sampai throttle valve terbuka penuh, maka terminal pada sensor TPS yang terhubung adalah terminal PSW dan terminal E1 atau TL. Pada posisi ini ECU akan mendeteksi posisi dari TPS ini sebagai putaran tinggi atau full load.
Demikian artikel tentang fungsi dan cara kerja TPS sensor pada sistem injeksi, semoga dapat menambah wawasan kita tentang otomotif, jangan lupa kunjungi juga ulasan berikut ini.

